Урок информатики в 10-м классе "Решение логических задач с помощью таблиц истинности"
Цели урока.
Обучающие.
- Повторение и систематизация пройденного материала;
- Научить учащихся решать логические задачи с помощью таблиц истинности;
- Решение заданий уровня А и В из демоверсии ЕГЭ по данной теме.
Развивающие.
- Развитие мотивации к изучению информатики;
- Развитие творческих способностей детей;
Воспитывающие:
- Воспитание культуры умственного труда.
Ход урока
-
Организационный момент.
Отобразить внешний вид, готовность к уроку, вопросы при подготовке домашнего задания, формулирование темы урока, цели урока.
- Актуализация опорных знаний.
- Что такое логика? Наука о формах и способах мышления.
- Что такое понятие? Это форма мышления, которая выделяет существенные признаки предмета или класса предметов, позволяющие отличать их от других.
- Что такое высказывание? Это формулировка понимания окружающего мира
- Какие значения может принимать высказывания? Истина и ложь.
- Какой логической операции соответствуют таблицы истинности:
| А | В | F |
| 0 | 0 | 0 |
| 0 | 1 | 1 |
| 1 | 0 | 1 |
| 1 | 1 | 1 |
(дизъюнкция, логическое сложение)
| А | В | F |
| 0 | 0 | 0 |
| 0 | 1 | 0 |
| 1 | 0 | 0 |
| 1 | 1 | 1 |
(конъюнкция, логическое умножение)
| А | F |
| 0 | 1 |
| 0 | 0 |
(инверсия, логическое отрицание)
III. Решение задач на повторение.
Индивидуальная работа.
3 человека получают карточки с заданием - 1 задача. (Приложение 1)
Задание: Упростить логическую функцию.
Покажите правильность преобразований с помощью таблиц истинности исходного и полученного логических выражений.
3 человека получают карточки с заданием - 1 задача. (Приложение 2)
Задание: Докажите формулу, составив таблицы истинности. Выполнить проверку на ПК в ECXEL.
Решение заданий на доске:
1. Упростить логическую функцию
F=((x v
) & y) v (
& (y v z))
Покажите правильность преобразований с помощью таблиц истинности исходного и полученного логических выражений.
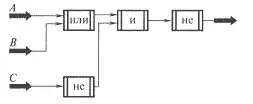
2. Запишите логическую функцию, описывающую состояние данной логической схемы, и составьте таблицу истинности.


Решение заданий уровня А из демоверсии ЕГЭ
1. Какое логическое выражение равносильно выражению
¬(А & В) & ¬ С
- ¬А v В v ¬ С
- (¬А v ¬ В) & ¬ С
- (¬А v ¬ В) & С
- ¬А & ¬ В & ¬ С
2. Символом F обозначено одно из указанных ниже логических выражений от трёх аргументов: X,Y,Z. Дан фрагмент таблицы истинности выражения F:
| X | Y | Z | F |
| 0 | 1 | 0 | 0 |
| 1 | 1 | 0 | 1 |
| 1 | 0 | 1 | 0 |
Какое выражение соответствует F?
- ¬ X v Y v ¬ Z
- X & Y & ¬ Z
- ¬ X & ¬ Y & Z
- X v ¬ Y v Z
IV. Решение логических задач с помощью таблиц истинности.
Задача 1. Митя, Сережа, Толя, Костя и Юра пришли в музей до открытия и встали в очередь в кассу. Митя пришел позже Сережи, Толя раньше Кости, Митя раньше Толи, Юра позже Кости. В каком порядке ребята стояли в очереди?
(Подробное решение задачи совместно с классом)
|
|
|
|
|
|
|
|
|
|
|
|
|
|
|
|
|
|
|
|
|
|
|
|
|
|
|
|
|
|
|
|
|
|
|
|
|
Задача 2. Четыре подруги - Маша, Полина, Ольга и Наташа - участвовали в соревнованиях по бегу и заняли первые четыре места. Установите, кто какое место занял, если известно, что в каждом из приведенных ниже ответов, которые дали девушки на вопрос опоздавшего к финишу корреспондента, кто какое место занял, верной является лишь половина ответа.
Наташа: "Ольга была второй, а Полина - первой".
Маша: "Нет, Наташа. Ольга была первой, а второй была ты".
Ольга: "Да что вы, девочки! Третьей была Маша, а Полина - четвертой".
(Подробное решение задачи совместно с классом)
| Маша | Полина | Ольга | Наташа | |
| 1 | 0 | 1 | 0 | 0 |
| 2 | 0 | 0 | 0 | 1 |
| 3 | 1 | 0 | 0 | 0 |
| 4 | 0 | 0 | 1 | 0 |
Задача 3. (Уровень В демоверсии ЕГЭ)
В школьном первенстве по настольному теннису в четверку лучших вошли девушки: Наташа, Маша, Люда и Рита. Самые горячие болельщики высказали свои предположения о распределении мест в дальнейших состязаниях.
Один считает, что первой будет Наташа, а Маша будет второй.
Другой болельщик на второе место прочит Люду, а Рита, по его мнению, займет четвертое место.
Третий любитель тенниса с ними не согласился. Он считает, что Рита займет третье место, а Наташа будет второй.
Когда соревнования закончились, оказалось, что каждый из болельщиков был прав только в одном из своих прогнозов.
Какое место на чемпионате заняли Наташа, Маша, Люда, Рита?
(Самостоятельное решение задачи)
| Наташа | Маша | Люда | Рита | |
| 1 | 1 | 0 | 0 |
0 |
| 2 | 0 | 0 | 1 | 0 |
| 3 | 0 | 0 | 0 | 1 |
| 4 | 0 | 1 | 0 | 0 |
V. Подведение итогов урока. Выставление оценок за урок
VI. Домашнее задание.
1. Три подружки - Оля, Маша и Юля - купили в магазине груши, яблоки и сливы, причем каждая девочка покупала только один вид фруктов и все покупки у них были разные. На вопрос, кто что купил, продавец ответил: "Оля купила груши. Маша точно не груши. Юля - не сливы". Как оказалось позже, два из трех ответов были ложными и только один истинным. Кто что купил?
2. Учитель проводил диктант по теме "Определения". Каждый, из учеников - Коля, Сережа, Ваня, Толя, Надя - ошибся в одном из пяти заданий диктанта, причем все они ошиблись в разных заданиях. По окончании работы учащиеся высказались об ошибках, сделанных их одноклассниками, следующим образом.
1-й ученик: "Коля ошибся в первом задании, а Ваня - в четвертом".
2-й ученик: "Сережа ошибся во втором, а Ваня - в четвертом задании".
3-й ученик: "Сережа ошибся во втором, а Коля - в третьем задании".
4-й ученик: "Толя ошибся в первом задании, а Надя - во втором".
5-й ученик: "Надя ошиблась в третьем задании, а Толя - в пятом".
Оказалось, что каждый из учеников был прав только в одном из двух своих утверждений. Определите, кто из ребят, в каком задании допустил ошибку.