Зачетно-обобщающий урок в 9-м классе по теме: "Электрический ток"
Цель: повторить и обобщить материал по данной теме.
Оснащенность урока: карточки заданий для групп учащихся, карточки с индивидуальными заданиями, плакат с условием задачи-цепочки, справочные таблицы.
Оборудование: источники питания, проволочные сопротивления из нихрома,соединительные провода, ключи, амперметры, вольтметры.
Задачи урока:
- проверить умение применять теорию для объяснения физических явлений в электрических цепях, решать задачи на расчет цепей, обращаться с электроизмерительными приборами;
- оценить усвоение основных понятий и законов темы;
- продолжить формирование элементов творческой деятельности.
ХОД УРОКА
I. Ознакомление учащихся с задачами урока и его ходом (1 мин.)
II. Проверка знаний (14 мин.)
1. Устный фронтальный опрос
Учитель. Ребята, заполните этот квадрат словами-названиями.
На доске изображено задание № 1, учащиеся поднимают руку, выходят к доске и записывают ответ.
Задание № 1.
1) Электрод источника тока.
2) Условное обозначение электрической цепи.
3) Единица измерения силы тока.
4) Единица измерения колличества электричества.
5) То, что приобретает наэлектризованное тело.
| 1 | |||||
| 2 | |||||
| 3 | |||||
| 4 | |||||
| 5 |
Ответы: клема, схема, ампер, кулон, заряд.
Учитель. В тетради ученика записаны условные обозначения физических приборов. Согласны ли вы с этой записью, если нет, то раставьте условные обозначения по их местам.
На доске оформлено задание № 2, один из учащихся выходит к доске и исправляет задание.
Задание № 2
|
Задание |
Обозначения. | Правильный ответ. |
| Электрическая лампа. |
|
|
| Гальванический элемент. |
|
|
| Звонок. |
|
|
| Батарея элементов. |
|
|
| Выключатель |
|
|
| Резистор. |
|
|
| Нагревательный элемент. |
|
|
2. Письменный фронтальный опрос-диктант.
Учитель. Проведем физический диктант. У вас на столе бланки с заданиями. Возьмите бланк № 1. В течение 2 минут каждый из вас выполняет задание, затем меняется с соседом по парте тетрадями и проверяет правильность выполнения задания. За правильный ответ на один вопрос начисляется по 0,5 балла. Колличество баллов укажите в бланке, правильные ответы будут записаны на доске.
Учащиеся выполняют задание, для проверки, учитель, через некоторое время показывает ответы на доске.
| Бланк № 1 | |
| № |
Задание |
| 1 | Единица измерения силы тока. |
| 2 | Сформулируйте закон Ома для участка цепи. |
| 3 | Еденица измерения сопротивления |
| 4 | 1 кВ переведите в Вольты. |
| 5 | От каких величин зависит сопротивление проводника ? |
| 6 | Стандартное напряжение в цепи. |
| 7 | Какое направление движение частиц в проводнике принято за направление электрического тока? |
| 8 | Какие действия электрического тока вы знаете? |
| 9 | Что называется электрическим током? |
| 10 | Как зависит сила тока в проводнике от напряжения. |
| № |
Ответы |
| 1 | 1 Ампер |
| 2 | Сила тока в цепи прямо пропорциональна напряженение и обратно пропорциональна сопротивлению. |
| 3 | 1 Ом |
| 4 | 1000В |
| 5 | Длины проводника, площади поперечного сечения проводника, материала из которого он изготовлен. |
| 6 | 220 Вольт |
| 7 | От положительного полюса к отрицательному. |
| 8 | Электромагнитное, тепловое, химическое. |
| 9 | Электрический ток-упорядоченное движение заряженных частиц. |
| 10 | Сила тока зависит от напряжение прямо пропорционально. |
III. Проверка умений (20 мин.)
1. Применять знания для объяснения законов электрического тока.
2. Решать задачи.
3. Планировать эксперимент, пользоваться приборами.
Учитель. Возьмите бланк № 2. На данном этапе урока проверим ваше умение планировать эксперимент, пользоваться приборами, решать задачи.
Ученики получают групповые и индивидуальные задания. Учитель предварительно рассаживает учащихся, так чтобы каждая пара могла справится с заданием, назначает консультантов из числа сильных
учеников. В классе 4 парты в три ряда, тоесть 12 пар, в которых колличество учащихся учитель может менять по своему усмотрению. При подготовке разрешается пользоваться учебником, тетрадями,
справочной литературой. Отсчеты консультантов об итогах деятельности групп сдают по мере подготовки. Учащиеся слушают ответы, анализируют, исправляют ошибки. Учащиеся, готовящие экспериментальную
часть, показывают элемент работы. Если группа справилась с заданием, то по желанию решает задачу. Общение организованное на данном уроке, не имеет ничего общего с нарушениями правил поведения
(подсказки, списывание), коллективная познавательная деятельность позволяет товарищам помогать друг другу в интеллектуальном труде.
Для ответа каждой группе учащихся отводится определенная часть доски.
| Бланк № 1-1 ряд | |
| Тема: Последовательное соединение проводников | |
|
№ парты |
Задание |
|
1 |
Сформулировать определение последовательного соединения проводников. Записать на доске и сформулировать закономерности соединения. Дать определение силе тока, записать формулу, характерезующую силу тока, ее единицу измерения. |
|
2 |
Собрать электрическую цепь последовательного соединения двух резисторов. Начертить схему на доске. |
|
3 |
Провести измерение по собранной цепи силы тока на разных участках, напряжения. Сделать вывод. |
|
4 |
Решить задачу в тетради. Вольтметр сопротивлением 12000 Ом показывает напряжение 120 В. Определите силу тока, протекающего через вольтметр. |
|
5 |
Задача для дополнительного решения. Два проводника сопротивлением 5 Ом и 30 Ом подключены последовательно к зажимам источника тока напряжением 6 В. Определите силу тока на всех участках цепи и общее сопротивление. |
| Бланк № 2 -2 ряд | |
| Тема: Закон Ома для участка цепи. | |
|
№ парты |
Задание |
|
1 |
Сформулируйте закон Ома для участка цепи, запишите на доске формулу. Объясните причину сопротивления проводника, запишите закономерность зависимости сопротивления от других величин. Объяснить физический смысл удельного сопротивления проводника. |
|
2 |
Собрать электрическую цепь из амперметра, вольтметра, резистора, электрических проводов, источника питания. Начертить схему на доске. |
|
3 |
Провести измерения по собранной схеме силы тока, напряжения, построить график зависимости этих величин. Вычислить сопротивление. Сделать вывод. Объяснить значение терминов прямая и обратная пропорциональность. |
|
4 |
Решить задачу в тетради.Какое нужно приложить напряжение к проводнику сопротивлением 2,5 Ом, чтобы в проводнике сила тока была равна 30 А? |
|
5 |
Задача для дополнительного решения. Сколько метров алюминевой проволоки сечением 10 кв. мм. надо взять, чтобы ее сопротивление оказалось равным 0,42 Ом? |
| Бланк № 2-3 ряд | |
| Тема: Параллельное соединение проводников. | |
|
№ парты |
Задание |
|
1 |
Сформулировать определение параллельного соединения проводников. Записать на доске и сформулировать закономерности соединения. Дать определение напряжения, записать формулу, характерезующую напряжение, ее единицу измерения. |
|
2 |
Собрать электрическую цепь параллельного соединения двух резисторов. Начертить схему на доске. |
|
3 |
Провести измерение по собранной цепи напряжения на разных участках, силы тока. Сделать вывод. |
|
4 |
Решить задачу в тетради.Три проводника с одинаковым сопротивлением 15 Ом соединены параллельно. Определите общее сопротивление цепи. |
|
5 |
Задача для дополнительного решения. Два проводника сопротивлением 15 Ом и 10 Ом, соединены параллельно. Определите силу тока на каждом участке и общую силу тока в цепи, если общее напряжение 24 В. |
|
Ответы |
|||
|
№ задачи |
1 ряд |
2 ряд |
3 ряд |
|
4 |
0,01 А |
75 В |
5 Ом |
|
5 |
0,17 А, 35 В |
150 м |
1,8 А. 2,4 А, 4 А |
IV. Проверка знаний и умений (8 мин.)
Решение задачи. Устно.
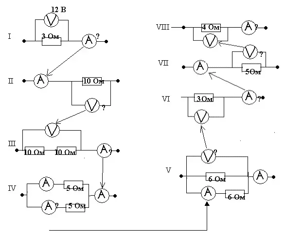
Учитель. На плакате, изображено условие задачи-цепочки. При ее устном решении мы научимся применять знания и умения по законам электрического тока.
На доске закреплен плакат с условием задачи, учащиеся, по желанию решают тот или иной этап задачи, учитель проверяет правильность и записывает ответ.
Задача-цепочка.

|
Ответы |
|||||||
|
1 |
2 |
3 |
4 |
5 |
6 |
7 |
8 |
|
4 А |
40 В |
2 А |
1А |
6 В |
2 А |
10 В |
2,5 А |
V. Обобщение знаний (2 мин.)
Учитель подводит краткие итоги урока, выставляет оценки, задает домашнее задание.


