План открытого занятия с использованием кейс-метода обучения по дисциплине "Инженерная графика"
Цели занятия:
Обучающие:
- Познакомить студентов с правилами и условностями, принятыми при выполнении сложных разрезов, показать их целесообразность.
- Добиться осознанного использования полученных сведений при выполнении графических работ.
Развивающие:
- Развивать пространственные представления студентов.
- Формировать умения использовать графические знания в новой конкретно заданной ситуации.
- Формировать умения отличать на чертеже сложные разрезы от простых, видеть необходимость использования сложных разрезов, научить выбирать направление секущих плоскостей.
- Формировать умения осуществлять самоконтроль в процессе самостоятельной работы студентов.
Воспитательные:
- Формировать коммуникативные качества студентов.
- Воспитывать культуру речи.
Методы обучения и контроля: Беседа, постановка проблемы, объяснение, демонстрация, инструктаж.
Оснащение:
- Модели деталей.
- Плакат "Сложные разрезы".
- Иллюстрация "Сложный разрез (ступенчатый)".
- Иллюстрация "Ломаный разрез".
- Кейс "Сложные разрезы" - 14 шт.
- Чертежные принадлежности.
- Формат А3 - 14 шт.
- Сводная ведомость по оценке работы студентов на занятии.
- Таблица "Количество баллов самостоятельной работы по проверке усвоения изученного материала".
- Таблица "Количество баллов по качеству выполнения чертежа".
- Таблица "Перевод баллов в оценки".
Межпредметная связь: Дисциплина "Нефтегазопромысловое оборудование".
Ход занятия
1. Организационный момент - 2 мин.
- Взаимное приветствие.
- Отметка присутствующих.
2. Актуализация восприятия нового материала - 3 мин.
- Подведение студентов к теме, целям занятия.
- Объяснение порядка работы с кейсом "Сложные разрезы".
- Предъявление сводной ведомости по оценке работы студентов на занятии
(Приложение). - Выборы экспертов.
3. Объяснение нового материала - 45 мин.
- Индивидуальная самостоятельная работа. - 15 мин.
- Ознакомление студентов с кейсом "Сложные разрезы".
- Выполнение задания по проверке усвоения изученного материала (стр.4;5).
Самостоятельная работа в микрогруппах. - 30 мин.
- Выбор студентами уровня сложности выполнения задания (стр.3).
- Выполнение чертежа на формате А3.
- Подготовка материала для дискуссии (стр.6).
4. Закрепление нового материала - 20 мин.
Коллективная работа.
- Презентация выполненной работы каждой микрогруппы.
- Дискуссия по вопросам кейса "Сложные разрезы" (стр.6).
5. Подведение итогов занятия - 8 мин.
- Выбор правильного варианта решения задания.
- Выступление экспертов по итогам сводной ведомости оценки работы студентов на занятии (Приложение).
- Подведение итогов занятия и выставление оценок.
6. Выдача и инструктаж выполнения домашнего задания - 2 мин.
Задание:
- Объяснить и привести примеры различных правил и условностей при выполнении разрезов.
- Расшифровать словограмму (стр.6).
Содержание кейса "Сложные разрезы"
1. Раздел программы.
2. Тема программы.
3. Тема занятия.
4. Цели занятия.
5. Задание.
6. Алгоритм работы над заданием.
7. Режим работы.
8. Теоретический материал по теме "Сложные разрезы".
9. Самостоятельная работа по проверке усвоения изученного материала.
10. Критерии оценки по этапам занятия.
11. Вопросы к дискуссии.
12. Домашнее задание.
13. Литература.
1. Раздел программы - Машиностроительное черчение.
2. Тема программы - Изображение - виды, разрезы, сечения.
3. Тема занятия - Сложные разрезы.
4. Цели занятия:
- Познакомиться, понять и запомнить правила, условности, принятые при выполнении сложных разрезов.
- Вырабатывать умение использовать теоретические знания при выполнении конкретной графической работы.
- Учиться проводить самоконтроль своей деятельности.
- Учится работать самостоятельно и в коллективе.
- Развивать культуру речи.
5. Задания:
1 уровень сложности (3 балла): Выполнить сложные разрезы. Нанести размеры (рис.1,а, б).

Рис.1 а, б.
2 уровень сложности (4 балла): Выполнить сложные разрезы. Нанести размеры (рис.2, а, б).
Рис.2 а, б.
3 уровень сложности (5 баллов): Выполнить целесообразный разрез в масштабе 1:3. Нанести размеры (рис.3 а, б).

Рис.3 а, б.
6. Алгоритм работы над заданием
- Прочитать и осмыслить теоретический, наглядный материал по теме "Сложные разрезы".
- Проанализировать форму детали в задании.
- Перечертить условие задания.
- Определить направление и места секущих плоскостей.
- Выполнить целесообразный разрез вместо главного вида.
- Нанести разрезы.
- Заполнить основную надпись.
7. Режимы работы
| № | Этап занятия | Время на этап |
| 1 | Подготовка к занятию преподавателем и студентами | домашняя работа |
| 2 | Организационная часть |
5 |
|
3
|
Самостоятельная работа студентов" с кейсом по теме "Сложные разрезы" |
15 |
| 4 | Работа студентов в микрогруппах |
30 |
| 5 | Дискуссия (коллективная работа студентов) |
20 |
| 6 | Подведение итога занятия |
5 |
| 7 | Объяснение домашнего задания |
5 |
8. Теоретический материал по теме "Сложные разрезы"
Внутреннее устройство некоторых деталей нельзя выявить одной секущей плоскостью.
В таких случаях применяют сложные разрезы при нескольких секущих плоскостях. В зависимости от положения секущих плоскостей сложные разрезы подразделяются на ступенчатые и ломаные. Ступенчатым называют сложный разрез, если секущие плоскости параллельны. При выполнении ступенчатого разреза все параллельные секущие плоскости мысленно совмещаются в одну, т. е. сложный разрез оформляют как простой.
Переход от одной секущей плоскости к другой не отражается.

Рис.4.
Ломаным называют сложный разрез, если секущие плоскости пересекаются.
При выполнении ломаного разреза секущую плоскость, не параллельную плоскости проекций, поворачивают и совмещают в одну плоскость, при этом направление поворота плоскости может не совпадать с направлением взгляда.
.
Рис.5
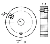
Положение секущих плоскостей при сложных разрезах всегда отмечают разомкнутой линией со штрихами: начальным, конечным и в местах перегибов.

Рис.6.
На начальном и конечном штрихах ставят стрелки, указывающие направление взгляда, и наносят одну и ту же прописную букву русского алфавита. Над разрезом делают надпись по типу А-А (только двумя буквами).
9. Самостоятельная работа по проверке усвоения изученного материала
Задание № 1. Определите правильное выполнение ломаного разреза (рис.7).


Рис.7.
Задание № 2. Определите и запишите название разрезов (рис.8).

Рис.8.
Задание № 3. Определите правильное обозначение ступенчатого разреза (рис.9).
.
Рис.9
10. Критерии оценки по этапам занятия
| № | Наименование критерия |
Максимальное кол-во баллов |
|
1 |
Правильное выполнение чертежа сложного разреза |
5 |
|
2 |
Выбор целесообразного разреза (для задания 2 уровня) |
5 |
|
3 |
Качество выполнения чертежа |
5 |
|
4 |
Грамотность и четкость в определение ошибок на чертеже |
5 |
|
5 |
Аргументированность доводов |
5 |
|
6 |
Умение отстаивать свою точку зрения |
5 |
|
7 |
Этика ведения дискуссии |
5 |
|
8 |
Активность работы микрогруппы |
5 |
|
9 |
Быстрота выполнения задания |
5 |
|
10 |
Штрафные баллы за нарушение дисциплины |
-5 |
|
Итого: 45 (40) |
11. Вопросы к дискуссии.
- Почему на вашем чертеже применён сложный разрез?
- В чем отличие простого разреза от сложного?
- С какой целью вы применили разрезы на чертежах?
- В чём отличие ступенчатого разреза от ломаного и что между ними общего?
- Сколько секущих плоскостей вы применили на чертеже, и чем это обусловлено?
- Как расположены плоскости относительно друг друга в вашем задании?
- Как указано на вашем чертеже положение секущих плоскостей?
12. Домашнее задание
Задание: Привести примеры и объяснить различные правила и условности при выполнении разрезов. Расшифровать словограмму "Разрезы". Словограмма - задача-головоломка, заключающаяся в заполнении последовательно расположенных клеточек буквами отгадываемых слов.
Вопросы:
1. Разомкнутая линия, указывающая положение секущей плоскости на чертеже.
2. Разрез - секущая плоскость перпендикулярна фронтальной плоскости проекции.
3. Разрез пересекающихся секущих плоскостей.
4. Обозначение разреза на чертеже.
5. Условное изображение предмета, мысленно рассеченного плоскостью.
6. Вспомогательная плоскость, применяемая для выполнения разреза или сечения.
7. Разрез нескольких секущих плоскостей.
8. Изображение предметов, выполненное с соблюдением ряда правил.
9. Разрез параллельных секущей плоскостей.
10. Различного рода условные графические обозначения материалов.
11. Изображение предмета, полученное путем проектирования его на какую-либо поверхность.

13. Литература
- Боголюбов С.К. Инженерная графика. - М.: Машиностроение. 2000.
- Болтухин А.К., Васин С.А., Вятхин Г.П., Пуш А.В. Инженерная графика, конструкторская информатика в машиностроение. - М.: Издательство МГТУ им. Н.Э. Баумана, 2001.
- Вышнепольский И.С., Вышнепольский В.И. Техническое черчение с элементами программированного обучения.- М.: ООО "Издательство Астрель": "Издательство АСТ", 2002 .
- Миронова Р.С., Миронов Б.Г. Инженерная графика. - М.: Высшая школа, 2001.
- Миронова Р.С., Миронов Б.Г. Сборник заданий по инженерной графике. - М.: Высшая школа, 2000.
- Чекмарев А.А., Осипов В.К. Справочник по машиностроительному черчению. - М.: Высшая школа, 2000.